Digi-key logo
scheme-it logo
Home
Design
Logout My Account
What’s New Digi-Key Tech Forum Keyboard Shortcuts Contact Us Page Help Page Feedback
Scheme-it settings
Auto save

Scheme-it

Introduction

Schematic Drawings
Use schematic symbols to layout the components of your circuit and make electrical connections. With symbols ranging from amplifiers to vacuum tubes, as well as the ability to build custom symbols, you are able to design nearly any circuit. Access to Digi-Key's extensive part database also allows you to browse and assign orderable part numbers.
Diagram Building
Use the system blocks to refine your idea at a conceptual level. The higher-level components are there to help you plan out the broader intentions of your idea. This powerful block chain library allows you to quickly layout the function of circuit. Once your design is ready, save and share with your colleagues.
Flow Chart Creation
The flow chart creation option will help transition your concept to a design. Use the library of arrows, shapes, UML symbols, and more to sort out the flow and annotate each stage. Insert a textbox, math function/formula, image, or link to help illustrate the objectives and make your plan easy to follow.

Start Designing

Projects

Public Projects

My Projects

Design Starters

Circuit Fundamentals

Showing
 of 19
1 2
Differentiator Op Amp

A Differentiator Op Amp will produce an output signal that is proportional to the rate of change of the input voltage.

Start Designing
More Details
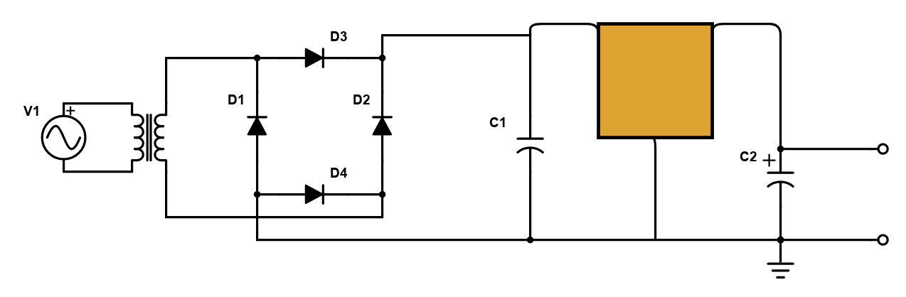
Power Supply

The basic AC/DC power supply will rectify the AC input through the diodes, and will smooth the ripple with the capacitor C1.  

Start Designing
More Details
Common Emitter Configuration

A common emitter amplifier uses voltage divider biasing across the supply to set the operating point of the transistor. It exhibits high input impedance and low output impedance. The output with be 180 degrees out of phase with the input.

Start Designing
More Details
Differential Amplifier

The differential amplifier/subtractor will amplify the difference between the inverting and non-inverting terminals. 

Start Designing
More Details
Wien Bridge Oscillator

The Wien Bridge Oscillator circuit is comprised of two BJT transistors where the feedback from the second is fed to the input of the first through the Wien Bridge network.

Start Designing
More Details
Clapp Oscillator

The Clapp Oscillator is essentially a modified version of the Colpitts Oscillator where a capacitive voltage divider provides the feedback. The Clapp Oscillator is typically used in receiving circuits.

Start Designing
More Details
RC High Pass

The RC high pass filter will pass the higher frequencies and block the lower ones. At lower frequencies the capacitor has high reactance and blocks the input signal.  As the frequency climbs the cutoff frequency will be reached and the reactance is reduced to let the frequency pass.

Start Designing
More Details
LC High Pass

The LC high pass filter will block lower frequencies and let the higher frequencies pass.  They are typically used for RF applications.

Start Designing
More Details
H Bridge

The H-Bridge circuit is primarily used for motor control.  By switching the pair of transistors that are on, you can control the direction of rotation for a DC motor.

Start Designing
More Details
Hartley Oscillator

The Hartley Oscillator uses a tuned LC circuit connected between the collector and base of the transistor amplifier.

Start Designing
More Details
Showing
 of 19
1 2

Introduction

Schematic Drawings
Use schematic symbols to layout the components of your circuit and make electrical connections. With symbols ranging from amplifiers to vacuum tubes, as well as the ability to build custom symbols, you are able to design nearly any circuit. Access to Digi-Key's extensive part database also allows you to browse and assign orderable part numbers.
Diagram Building
Use the system blocks to refine your idea at a conceptual level. The higher-level components are there to help you plan out the broader intentions of your idea. This powerful block chain library allows you to quickly layout the function of circuit. Once your design is ready, save and share with your colleagues.
Flow Chart Creation
The flow chart creation option will help transition your concept to a design. Use the library of arrows, shapes, UML symbols, and more to sort out the flow and annotate each stage. Insert a textbox, math function/formula, image, or link to help illustrate the objectives and make your plan easy to follow.

Start Designing

Help & Resources

Need help? Ask questions in our TechForum

Get Help

Conversion Calculators
Digi-Key's online conversion calculators offer a one-stop resource for many electronics industry calculations.

Go to Calculators

Conversion Calculators
Digi-Key's online conversion calculators offer a one-stop resource for many electronics industry calculations.

Go to Calculators

Reference Design Library
Search for designs based on the circuit's performance using Digi-Key's Reference Design Library.

Go to Reference Design Library

Reference Design Library
Search for designs based on the circuit's performance using Digi-Key's Reference Design Library.

Go to Reference Design Library

Tech Forum
Feedback
What’s New
You are about to delete project

Please type 'DELETE' (without quotes) to the below box to confirm the deletion:

  • Introduction
  • Tutorial Videos
  • Homepage
  • Revision
  • Symbol Editor
  • KiCad Export(beta)
  • Favorite symbols
  • Net
  • Save/Open/Delete Projects
  • Autosave and History
  • Placing Symbols
  • Wiring Symbols
  • Adding/Editing Text
  • Math box
  • Share and Export
  • BOM Manager
  • Digi-Key Catalog
  • FAQ
Title