Digi-key logo
scheme-it logo
Home
Design
Logout My Account
What’s New Digi-Key Tech Forum Keyboard Shortcuts Contact Us Page Help Page Feedback
Scheme-it settings
Auto save

Scheme-it

Introduction

Schematic Drawings
Use schematic symbols to layout the components of your circuit and make electrical connections. With symbols ranging from amplifiers to vacuum tubes, as well as the ability to build custom symbols, you are able to design nearly any circuit. Access to Digi-Key's extensive part database also allows you to browse and assign orderable part numbers.
Diagram Building
Use the system blocks to refine your idea at a conceptual level. The higher-level components are there to help you plan out the broader intentions of your idea. This powerful block chain library allows you to quickly layout the function of circuit. Once your design is ready, save and share with your colleagues.
Flow Chart Creation
The flow chart creation option will help transition your concept to a design. Use the library of arrows, shapes, UML symbols, and more to sort out the flow and annotate each stage. Insert a textbox, math function/formula, image, or link to help illustrate the objectives and make your plan easy to follow.

Start Designing

Projects

Public Projects

My Projects

Design Starters

Circuit Fundamentals

Design Starters help give you a running start for your next design. Whether you are looking to begin a wireless charging platform or quickly design around a Bluetooth Low Energy module, our Design Starters will help get you quickly on your way.

Digi-Key has worked with industry leaders to help drive almost instantaneous ideation and these starters are ideal building blocks to help get your concepts created, drawn and documented in almost no time at all.

Featured Design Starters
12 items
ADI-LT3800 high voltage DC/DC step-down controller reference design
12/26/2023
Continue Designing
3-phase Sensorless BLDC Motor Control Power Supply
7/21/2020
Continue Designing
Scheme-it Schematic of Dual Port Auto Charger
7/21/2020
Continue Designing
400 - 1400 Mhz Wireless Radio Receiver
7/21/2020
Continue Designing
Basic Low Voltage DC Servo Motor Control
7/21/2020
Continue Designing
8T49NS010 Clock Synthesizer and Fanout Buffer/Divider
7/21/2020
Continue Designing
F0480 Matched Broadband RF VGA with Glitch-Free and Zero-Distortion
7/21/2020
Continue Designing
SoC Remote Control Platform for IEEE 802.15.4 Standard
7/21/2020
Continue Designing
F1953 - 6-bit 0.50dB Glitch-Free™ Digital Step Attenuator with Internal DC Blocks
7/21/2020
Continue Designing
Programmable Fanout Buffer
7/21/2020
Continue Designing
8V19N408 FemtoClock NG Jitter Attenuator and Clock Synthesizer
7/21/2020
Continue Designing
USB To UART Bridge Controller
7/21/2020
Continue Designing
Refine Search
APPLICATION
MANUFACTURER
Clear All Filters
Showing
 of 203
1 2 3 4 5
Vishay - 3kW Bidirectional DC/DC Converter

A complete 3kW, 48 V / 12 V buck-boost converter has been designed utilizing an insulated metal substrate (IMS) with a heatsink for the power stage, with a standard FR4 controller board mounted on top and features six modular power stages capable of 500 W each.

Start Designing
More Details
ADI-LT3800 high voltage DC/DC step-down controller reference design

DC720A | High-Voltage Synchronous Current Mode Step-Down Controller

Start Designing
More Details
Basic Robotic Arm Control

The latest development on robotics already go beyond of what we expected. However, this development comes with fear that someday it will be miscarried, then it will become revolutionary to human. This design features a simple robotic arm control that can be customized with respect to the materials you want to use specifically on the type of motor. It can drive a regular dc motor provided that it is able to run with an output current of 0.6 to 1.2A and output voltage clamp of +45V (low side) and -20V (high side) during inductive switching. It is fault protected that loss of ground will not damage an IC. It also features short-circuit detection and current limiting with automatic retry. The system itself has internal reverse battery protection on VPWR , which is good in power management.

Start Designing
More Details
Intelligent Motion-Sensing Platform

The MMA955xL platform as a sensor hub is an intelligent sensing hub with built-in accelerometer, signal conditioning, and data conversion with 32-bit programmable microcontroller and temperature sensor. In addition, it has a second I2C bus and one external analog input, which can be monitored using the on-chip Analog-to-Digital (ADC). This unique blend transforms Freescale's MMA955xL into an intelligent, high precision, motion-sensing platform able to manage multiple sensor inputs.

Start Designing
More Details
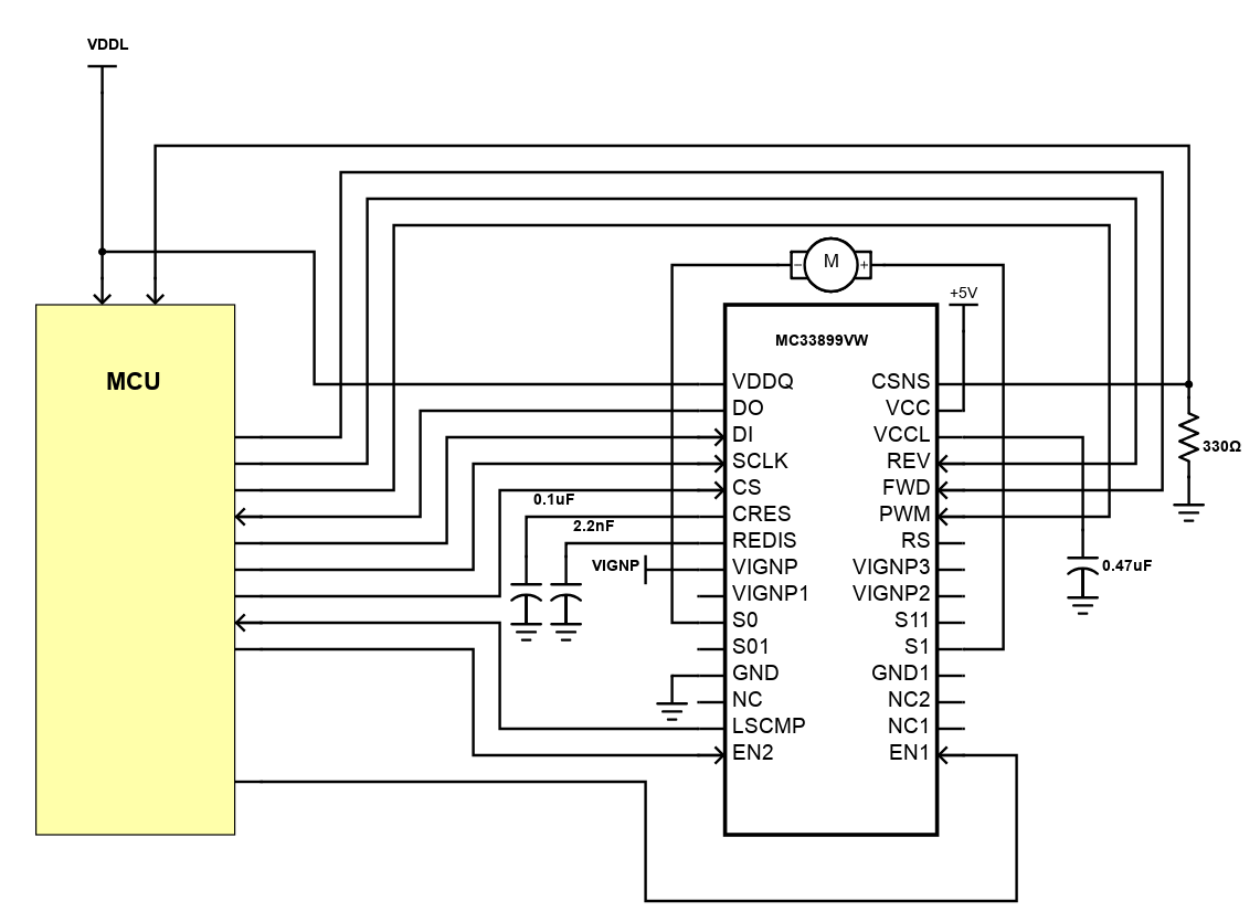
Programmable H-Bridge Power IC

The Freescale's MC33899VW programmable H-bridge power integrated circuit is designed to drive a DC motor in both forward and reverse rotation under pulse width modulation control. It has synchronous rectification control of the high side MOSFETs and has the ability to control both an SPI-selectable slew rate and current limit that is needed for performance and noise suppression.

Start Designing
More Details
Multipurpose Pedometer with Temperature Sensor

An active lifestyle is important in which it prevents people from getting ill while they're maintaining a healthy body. According to some experts, a correct exercise should be scheduled properly with right duration or number of moves. This design circuit features a pedometer that is included in a sensing platform of a Freescale Integrated Circuit (IC). It is compact that minimal external components are required. The sensing platform itself has its own flash and random access memory that can be used to handle more functions. The temperature sensor is also embedded to the system that needs no additional external temperature sensor. It has a dedicated 32-bit programmable microcontroller with 16-KB flash memory and 2-KB random access memory that can be used for different purposes. Its system has ROM-based flash controller and slave-port, command-line interpreter that can also help to some embedded development projects.

Start Designing
More Details
H-Bridge Motor Control (Forward - Reverse Direction) with 556 Timer

This diagram is the H-bridge motor control with 556 dual timer. In this design, instead of using a microcontroller, it uses a 556 dual timer circuit for controlling the motor, which makes the circuit low cost. The design is only limited to controlling the direction of the motor, whether operate the motor in a forward or reverse direction. The H-bridge used in the circuit is the MC33186HVW2 from Freescale Semiconductor.

Start Designing
More Details
Altera Stratix II GX Development Board with zSFP+ I/O Interface

There are several types of Field Programmable Gate Array (FPGA), each varies according to the application requirements and functions. An FPGA is a logic device that contains programmable switches and a two-dimensional array of generic logic cells. A logic cell can be programmed to perform a simple function, and a programmable switch can be customized to provide interconnections among the logic cells. Specifying the function of each logic cell and selectively setting the connection of each programmable switch can implement a custom design. The Altera Stratix II GX FPGA features small form-factor pluggable-plus (SFP/SFP+) compact optical transceiver connectors, a high-density Altera Stratix II GX FPGA.

Start Designing
More Details
Video Surveillance Over IP Network

Nowadays, threats and crimes have risen in number. With the technology today, people can make use of security system designs to prevent such bad events. One security system design that is widely available in the market today is the video surveillance system over an IP network. With this digital video surveillance system, people can gain more advantages than using the traditional analog surveillance system. Some advantages would be superior image quality, future-proof integration, scalability, cost-effectiveness, easy installation and remote accessibility.

Start Designing
More Details
3-Axis Accelerometer Interfacing with ATMEGA16

This project addressed the matter on how to interface an accelerometer sensor to a microcontroller. The accelerometer used is a FXLN8361QR1, a 3-axis, low-power, low-g, analog output accelerometers that consist of an acceleration sensor. The analog outputs for the X, Y, and Z axes are internally compensated for zero-g offset and sensitivity, and then buffered to the output pads. The outputs have a fixed zero-g offset of 0.75V, irrespective of the VDD supply voltage. The bandwidth of the output signal for each axis may be independently adjusted using external capacitors.

Start Designing
More Details
Showing
 of 203
1 2 3 4 5

Introduction

Schematic Drawings
Use schematic symbols to layout the components of your circuit and make electrical connections. With symbols ranging from amplifiers to vacuum tubes, as well as the ability to build custom symbols, you are able to design nearly any circuit. Access to Digi-Key's extensive part database also allows you to browse and assign orderable part numbers.
Diagram Building
Use the system blocks to refine your idea at a conceptual level. The higher-level components are there to help you plan out the broader intentions of your idea. This powerful block chain library allows you to quickly layout the function of circuit. Once your design is ready, save and share with your colleagues.
Flow Chart Creation
The flow chart creation option will help transition your concept to a design. Use the library of arrows, shapes, UML symbols, and more to sort out the flow and annotate each stage. Insert a textbox, math function/formula, image, or link to help illustrate the objectives and make your plan easy to follow.

Start Designing

Help & Resources

Need help? Ask questions in our TechForum

Get Help

Conversion Calculators
Digi-Key's online conversion calculators offer a one-stop resource for many electronics industry calculations.

Go to Calculators

Conversion Calculators
Digi-Key's online conversion calculators offer a one-stop resource for many electronics industry calculations.

Go to Calculators

Reference Design Library
Search for designs based on the circuit's performance using Digi-Key's Reference Design Library.

Go to Reference Design Library

Reference Design Library
Search for designs based on the circuit's performance using Digi-Key's Reference Design Library.

Go to Reference Design Library

Tech Forum
Feedback
What’s New
You are about to delete project

Please type 'DELETE' (without quotes) to the below box to confirm the deletion:

  • Introduction
  • Tutorial Videos
  • Homepage
  • Revision
  • Symbol Editor
  • KiCad Export(beta)
  • Favorite symbols
  • Net
  • Save/Open/Delete Projects
  • Autosave and History
  • Placing Symbols
  • Wiring Symbols
  • Adding/Editing Text
  • Math box
  • Share and Export
  • BOM Manager
  • Digi-Key Catalog
  • FAQ
Title