Digi-key logo
scheme-it logo
Home
Design
Logout My Account
What’s New Digi-Key Tech Forum Keyboard Shortcuts Contact Us Page Help Page Feedback
Scheme-it settings
Auto save

Scheme-it

Introduction

Schematic Drawings
Use schematic symbols to layout the components of your circuit and make electrical connections. With symbols ranging from amplifiers to vacuum tubes, as well as the ability to build custom symbols, you are able to design nearly any circuit. Access to Digi-Key's extensive part database also allows you to browse and assign orderable part numbers.
Diagram Building
Use the system blocks to refine your idea at a conceptual level. The higher-level components are there to help you plan out the broader intentions of your idea. This powerful block chain library allows you to quickly layout the function of circuit. Once your design is ready, save and share with your colleagues.
Flow Chart Creation
The flow chart creation option will help transition your concept to a design. Use the library of arrows, shapes, UML symbols, and more to sort out the flow and annotate each stage. Insert a textbox, math function/formula, image, or link to help illustrate the objectives and make your plan easy to follow.

Start Designing

Projects

Public Projects

My Projects

Design Starters

Circuit Fundamentals

Refine Search
DATE RANGE
Clear All Filters
Showing
 of 2634
249 250 251 252 253
Switches
2020-11-11 18:57:10
Start Designing
More Details
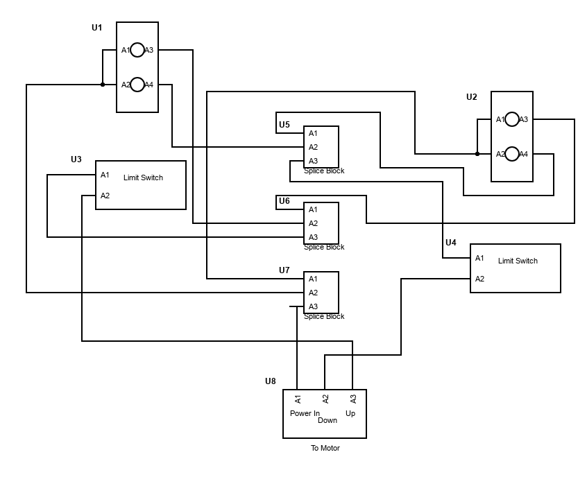
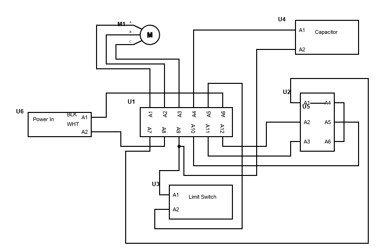
Lift
2020-11-11 18:17:20
Start Designing
More Details
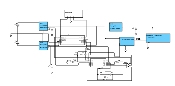
Receiver with OScillator
2020-11-10 17:42:57
Start Designing
More Details
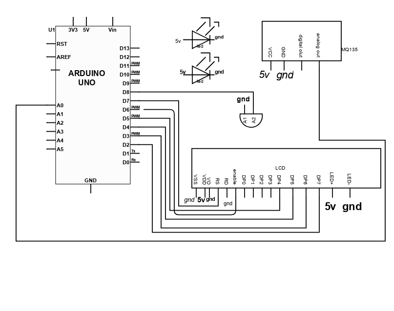
smoke detector
2020-11-10 13:03:52

The RedBoard can be programmed over a USB Mini-B cable using the Arduino IDE, by selecting "Arduino UNO" from the board drop down list. RedBoard has all of the hardware peripherals which 14 digital I/O pins, 6 PWM pins, 6 analog Inputs, UART, SPI and external interrupts. The RedBoard features also I2C communication. and IOREF pins that showed up on the UNO R3, so the RedBoard will be compatible with future shields. This version adds an SMD ISP header for use with shields.

Start Designing
More Details
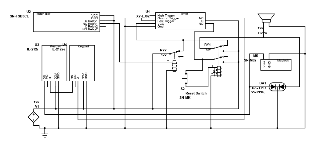
farr two mag locks
2020-11-08 01:31:46
Start Designing
More Details
Asynchronous programmable counter (TD AVA 2])
2020-10-31 20:09:31
Start Designing
More Details
RGR1
2020-10-31 00:00:16
Start Designing
More Details
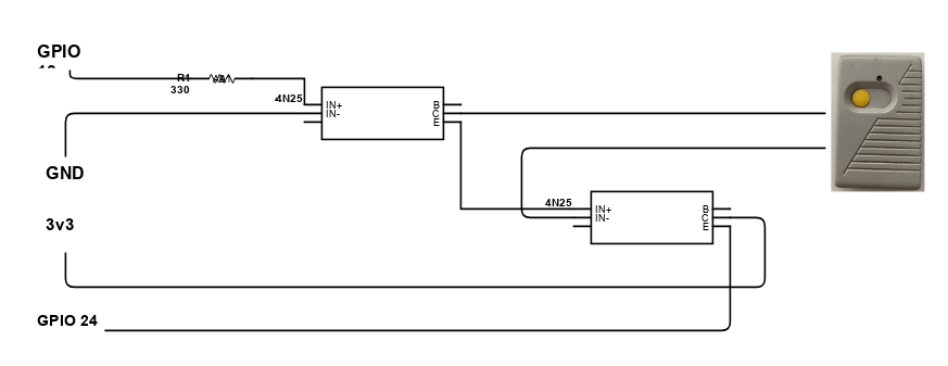
Door release
2020-10-30 20:43:51
Start Designing
More Details
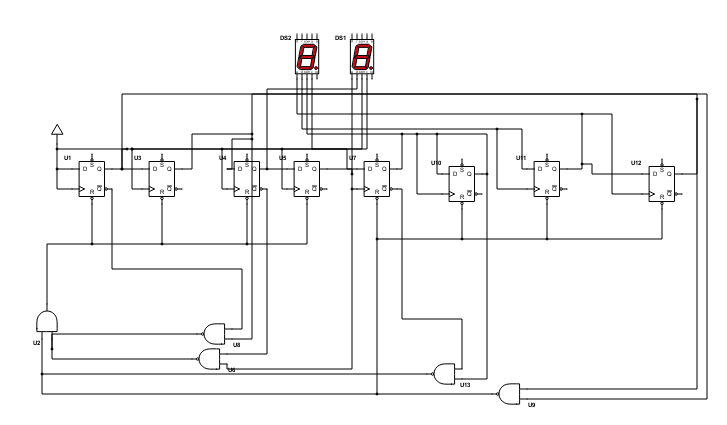
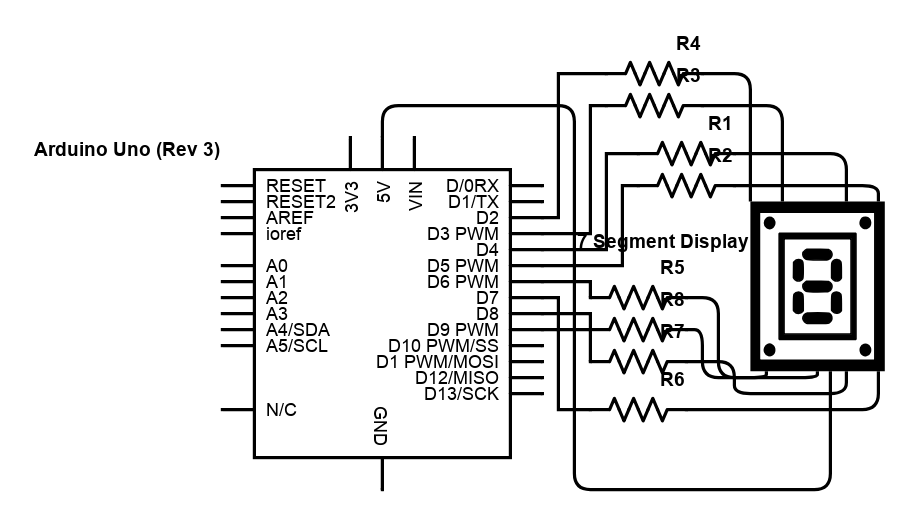
Arduino 7 segment display, Dallen Petate
2020-10-30 06:22:05
Start Designing
More Details
SKI
2020-10-23 03:50:27
Start Designing
More Details
Showing
 of 2634
249 250 251 252 253

Introduction

Schematic Drawings
Use schematic symbols to layout the components of your circuit and make electrical connections. With symbols ranging from amplifiers to vacuum tubes, as well as the ability to build custom symbols, you are able to design nearly any circuit. Access to Digi-Key's extensive part database also allows you to browse and assign orderable part numbers.
Diagram Building
Use the system blocks to refine your idea at a conceptual level. The higher-level components are there to help you plan out the broader intentions of your idea. This powerful block chain library allows you to quickly layout the function of circuit. Once your design is ready, save and share with your colleagues.
Flow Chart Creation
The flow chart creation option will help transition your concept to a design. Use the library of arrows, shapes, UML symbols, and more to sort out the flow and annotate each stage. Insert a textbox, math function/formula, image, or link to help illustrate the objectives and make your plan easy to follow.

Start Designing

Help & Resources

Need help? Ask questions in our TechForum

Get Help

Conversion Calculators
Digi-Key's online conversion calculators offer a one-stop resource for many electronics industry calculations.

Go to Calculators

Conversion Calculators
Digi-Key's online conversion calculators offer a one-stop resource for many electronics industry calculations.

Go to Calculators

Reference Design Library
Search for designs based on the circuit's performance using Digi-Key's Reference Design Library.

Go to Reference Design Library

Reference Design Library
Search for designs based on the circuit's performance using Digi-Key's Reference Design Library.

Go to Reference Design Library

Tech Forum
Feedback
What’s New
You are about to delete project

Please type 'DELETE' (without quotes) to the below box to confirm the deletion:

  • Introduction
  • Tutorial Videos
  • Homepage
  • Revision
  • Symbol Editor
  • KiCad Export(beta)
  • Favorite symbols
  • Net
  • Save/Open/Delete Projects
  • Autosave and History
  • Placing Symbols
  • Wiring Symbols
  • Adding/Editing Text
  • Math box
  • Share and Export
  • BOM Manager
  • Digi-Key Catalog
  • FAQ
Title