Digi-key logo
scheme-it logo
Home
Design
Logout My Account
What’s New Digi-Key Tech Forum Keyboard Shortcuts Contact Us Page Help Page Feedback
Scheme-it settings
Auto save

Scheme-it

Introduction

Schematic Drawings
Use schematic symbols to layout the components of your circuit and make electrical connections. With symbols ranging from amplifiers to vacuum tubes, as well as the ability to build custom symbols, you are able to design nearly any circuit. Access to Digi-Key's extensive part database also allows you to browse and assign orderable part numbers.
Diagram Building
Use the system blocks to refine your idea at a conceptual level. The higher-level components are there to help you plan out the broader intentions of your idea. This powerful block chain library allows you to quickly layout the function of circuit. Once your design is ready, save and share with your colleagues.
Flow Chart Creation
The flow chart creation option will help transition your concept to a design. Use the library of arrows, shapes, UML symbols, and more to sort out the flow and annotate each stage. Insert a textbox, math function/formula, image, or link to help illustrate the objectives and make your plan easy to follow.

Start Designing

Projects

Public Projects

My Projects

Design Starters

Circuit Fundamentals

Refine Search
DATE RANGE
Clear All Filters
Showing
 of 2634
229 230 231 232 233
sincerity
2021-07-12 15:43:35

A simple design of video surveillance system over an IP network would consist of IP cameras, ethernet switch, router, internet connection, network video recorder, monitor and computers. Another essential component in the system would be the cables used in connecting the other parts. In the design, we feature the Cat5e patch cords (2178127-1,217812-2,217812-3,217812-4) from TE connectivity. The patch cord is double-ended configured and has 8 signal positions and 2 power positions. The product is also RoHS/ELV compliant.

The IP cameras capture and encode the video into data. Then the encoded data travels through the ethernet patch cords to the ethernet switch. The ethernet switch does the data linking, which provides functional and procedural means of transferring data. The Network Video Recorder (NVR) stores the video captured and allows multiple viewing of cameras at once on a monitor. The router is utilized to allow remote access in viewing the captured video. The design can also be modified for additional devices to achieve a more advance security system.

Start Designing
More Details
Cross Reference
2021-07-08 20:15:16
Start Designing
More Details
test
2021-07-08 15:27:59
Start Designing
More Details
Bread Box
2021-07-06 23:39:28
Start Designing
More Details
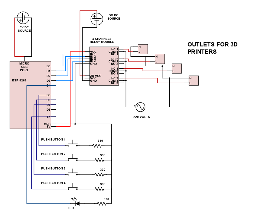
RECEPTACLE CONTROL SYSTEM
2021-06-25 06:41:58
Start Designing
More Details
test maxim
2021-06-24 17:15:14
Start Designing
More Details
2-input NAND
2021-06-17 18:30:03
Start Designing
More Details
test
2021-06-09 01:50:56
Start Designing
More Details
incremental
2021-06-08 22:49:53
Start Designing
More Details
bissecsao_diferencial
2021-06-08 22:34:34
Start Designing
More Details
Showing
 of 2634
229 230 231 232 233

Introduction

Schematic Drawings
Use schematic symbols to layout the components of your circuit and make electrical connections. With symbols ranging from amplifiers to vacuum tubes, as well as the ability to build custom symbols, you are able to design nearly any circuit. Access to Digi-Key's extensive part database also allows you to browse and assign orderable part numbers.
Diagram Building
Use the system blocks to refine your idea at a conceptual level. The higher-level components are there to help you plan out the broader intentions of your idea. This powerful block chain library allows you to quickly layout the function of circuit. Once your design is ready, save and share with your colleagues.
Flow Chart Creation
The flow chart creation option will help transition your concept to a design. Use the library of arrows, shapes, UML symbols, and more to sort out the flow and annotate each stage. Insert a textbox, math function/formula, image, or link to help illustrate the objectives and make your plan easy to follow.

Start Designing

Help & Resources

Need help? Ask questions in our TechForum

Get Help

Conversion Calculators
Digi-Key's online conversion calculators offer a one-stop resource for many electronics industry calculations.

Go to Calculators

Conversion Calculators
Digi-Key's online conversion calculators offer a one-stop resource for many electronics industry calculations.

Go to Calculators

Reference Design Library
Search for designs based on the circuit's performance using Digi-Key's Reference Design Library.

Go to Reference Design Library

Reference Design Library
Search for designs based on the circuit's performance using Digi-Key's Reference Design Library.

Go to Reference Design Library

Tech Forum
Feedback
What’s New
You are about to delete project

Please type 'DELETE' (without quotes) to the below box to confirm the deletion:

  • Introduction
  • Tutorial Videos
  • Homepage
  • Revision
  • Symbol Editor
  • KiCad Export(beta)
  • Favorite symbols
  • Net
  • Save/Open/Delete Projects
  • Autosave and History
  • Placing Symbols
  • Wiring Symbols
  • Adding/Editing Text
  • Math box
  • Share and Export
  • BOM Manager
  • Digi-Key Catalog
  • FAQ
Title